SiTime超小型晶振,SiT1533AI-H4-DCC-32.768,平板电脑6G晶振
频率:32.768KHz
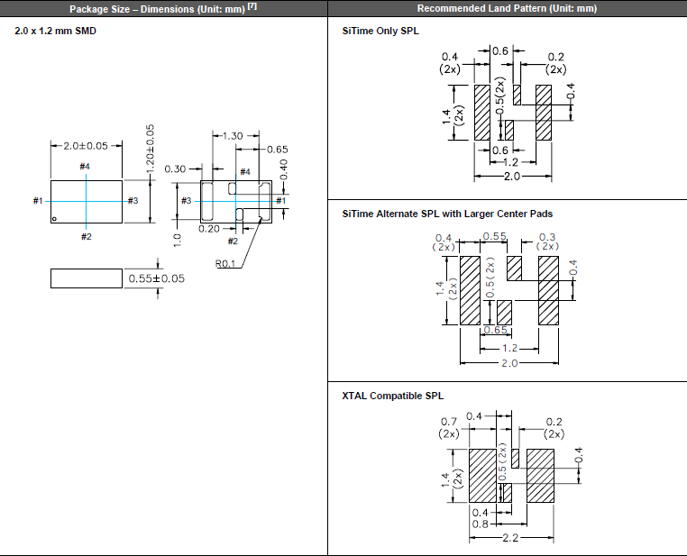
尺寸:2.0x1.2mm
SiTime超小型晶振,SiT1533AI-H4-DCC-32.768,平板电脑6G晶振,美国进口晶振,SiTime晶振,型号SiT1533,编码为:SiT1533AI-H4-DCC-32.768,频率为:32.768KHz,两脚贴片晶振,小体积晶振尺寸:2.0x1.2mm,石英晶体振荡器,SiT1533是一款超小、超低功率的32.768 kHz振荡器,为移动设备和其他电池供电的应用进行了优化。当使用SiTime焊盘布局(SPL)时,SiT1533与引脚兼容,并与现有的2012 XTALs兼容。与标准振荡器不同的是,SiT1533的特点是纳米驱动器Drive™,这是一种工厂可编程输出,可以降低电压摆动到最小化功率。1.2V到3.63V的工作电源电压范围使其成为一个理想的解决方案,包括低压电池备用电源,如硬币电池或超级盖。2012mm贴片晶振应用于:手机,时钟晶振,平板电脑,健康和健康监视器,健身手表,运动视频摄像头,无线键盘,超小笔记本电脑,脉冲每秒(pps)计时,RTC参考时钟,电池管理计时等应用。
SiTime超小型晶振,SiT1533AI-H4-DCC-32.768,平板电脑6G晶振 参数表
Parameter
Symbol
Min.
Typ.
Max.
Unit
Condition
Frequency and Stability
Fixed Output Frequency
Fout
32.768
kHz
Frequency Stability
Frequency Tolerance[2]
F_tol
20
ppm
TA= 25°C, post reflow, Vdd: 1.5V – 3.63V.
Frequency Stability[3]
F_stab
75
ppm
TA= -10°C to +70°C, Vdd: 1.5V – 3.63V.
100
TA= -40°C to +85°C, Vdd: 1.5V – 3.63V.
250
TA= -10°C to +70°C, Vdd: 1.2V – 1.5V.
25°C Aging
-1
1
ppm
1st Year
Supply Voltage and Current Consumption
Operating Supply Voltage
Vdd
1.2
3.63
V
TA= -10°C to +70°C
1.5
3.63
V
TA= -40°C to +85°C
Core Operating Current[4]
Idd
0.9
μA
TA= 25°C, Vdd: 1.8V. No load
1.3
TA= -10°C to +70°C, Vdd max: 3.63V. No load
1.4
TA= -40°C to +85°C, Vdd max: 3.63V. No load
Output Stage Operating Current[4]
Idd_out
0.065
0.125
μA/Vpp
TA= -40°C to +85°C, Vdd: 1.5V – 3.63V. No load
Power-Supply Ramp
t_Vdd_ Ramp
100
ms
TA= -40°C to +85°C, 0 to 90% Vdd
Start-up Time at Power-up[5]
t_start
180
300
ms
TA = -40°C ≤ TA≤ +50°C, valid output
450
TA= +50°C < TA≤ +85°C, valid output
Operating Temperature Range
Commercial Temperature
T_use
-10
70
°C
Industrial Temperature
-40
85
°C
SiTime超小型晶振,SiT1533AI-H4-DCC-32.768,平板电脑6G晶振 尺寸图
SiTime超小型晶振,SiT1533AI-H4-DCC-32.768,平板电脑6G晶振
产品特点:
小型SMD尺寸: 2.0x1.2mm贴片石英晶振
针兼容2012 XTAL SMD包
固定32.768kHz
<20ppm频率公差超低功率: <1µA
支持硬币电池或超盖电池备份电压
Vdd供应范围: 1.5V到3.63V超过-40°C+85°C
振荡器输出消除外部负载帽
内部过滤消除外部Vdd旁路帽
纳米驱动器™可编程输出摆动最低功率
无铅,RoHS和达到兼容
联系统一电子
服务热线:0755-2783-7683
手机联系:136-3164-7825
Q Q联系:761385328
邮 箱:tongyidz@163.com
地 址:深圳市宝安区西乡镇南区新一村2栋
采购:SiTime超小型晶振,SiT1533AI-H4-DCC-32.768,平板电脑6G晶振
- *联系人:
- *手机:
- 公司名称:
- 邮箱:
- *采购意向:
-
*验证码:
跟此产品相关的产品 / Related Products

- 8038谐振器,DMX-26S,日本KDS晶振,32.768K晶振,1TJS060DJ4A739Q
- 8038谐振器,DMX-26S,日本KDS晶振,32.768K晶振,1TJS060DJ4A739Q,DMX-26S型号的晶振1TJS060DJ4A739Q是目前小型数码产品的福音,目前超小型的智能手机里面所应用的就是小型的贴片晶振,该SMD晶振产品给主板提供频率精准型号,使IC系统功能正常使用,使蓝牙功能传输正常,最适用于无线通讯系统、无线局域网,已实现低相位噪声、低电压、低消费电流和高稳定度,超小型,质量轻等产品特点。8038贴片晶振是民用小型无线数码产品的最佳选择,小体积的贴片晶振DMX-26S被广泛应用到手机蓝牙、GPS定位系统、无线通讯集,高精度和高频率的稳定性能,非常好的减少电磁干扰的影响,是民用无线数码产品最好的选择,符合RoHS/无铅。

- 日产KDS晶振,温补晶体振荡器,1XXB16368MAA,2520振荡器,DSB221SDN晶振
- 日产KDS晶振,温补晶体振荡器,1XXB16368MAA,2520振荡器,DSB221SDN晶振,日产KDS晶振的1XXD16368MGA晶振频率是16.368MHZ,电压1.7V~3.6V,精度1.5ppm,2520mm体积的DSB221SDN晶振,为温补晶振(TCXO),是目前有源晶振中体积最小的一款,产品本身带温度补偿作用的晶体振荡器。该2520贴片晶振本身体积小型,厚度薄等特点,适用在GPS/GNSS,蓝牙设备,移动通讯等产品。温补晶振是在一定的温度范围内通过一定的补偿方式(比如电容补偿、热敏电阻网络补偿等)而保持晶体振荡器的输出频率在一定的精度范围内(如10-7级、10-6 级)的晶体振荡器。

- TCXO温补晶振,DSB211SDN,KDS低耗能晶振,1XXD16368MGA,大真空2016贴片
- TCXO温补晶振,DSB211SDN,KDS低耗能晶振,1XXD16368MGA,大真空2016贴片,KDS晶振型号DSB211SDN的1XXD16368MGA晶振频率是16.368MHZ,电压3.3V,精度1.5ppm,2016mm体积的温补晶振(TCXO),是目前有源晶振中体积最小的一款,产品本身带温度补偿作用的晶体振荡器。该2016贴片晶振本身体积小型,厚度薄等特点,适用在蓝牙设备,移动通讯,办公自动化等产品。超小型,轻型,低消耗电流,表面贴片型产品.(可对应回流焊)无铅产品.满足无铅焊接的高温回流温度曲线要求,带有AFC(频率控制)功能,Enable/Disable功能,产品本身可根据使用需要进行选择。
谐振器
新品推荐
test
贴片晶振
雾化片
有源晶振
产品应用
32.768k
石英晶振
台产晶振
欧美晶振
- AEK晶振
- 福克斯晶振
- Cardinal晶振
- ILSI晶振
- AEL晶振
- Euroquartz晶振
- Frequency晶振
- GEYER晶振
- KVG晶振
- MMDCOMP晶振
- MtronPTI晶振
- QANTEK晶振
- QuartzCom晶振
- QuartzChnik晶振
- SUNTSU晶振
- Transko晶振
- WI2WI晶振
- Crystek晶振
- ARGO晶振
- 三呢晶振
- ACT晶振
- MTI-MILLIREN晶振
- LIHOM晶振
- CTECH晶振
- rubyquartz晶振
- OSCILENT晶振
- Shinsung晶振
- ITTI晶振
- IQD晶振
- Microchip晶振
- Silicon晶振
- Fortiming晶振
- CORE晶振
- NIPPON晶振
- NIC晶振
- QVS晶振
- Bomar晶振
- Bliley晶振
- GED晶振
- Filtronetics晶振
- STD晶振
- Q-Tech晶振
- Anderson晶振
- Wenzel晶振
- NEL晶振
- EM晶振
- PETERMANN晶振
- FCD-Tech晶振
- HEC晶振
- FMI晶振
- Macrobizes晶振
- AXTAL晶振
- Skyworks晶振
- Renesas瑞萨晶振
- Dynamic迪拉尼
- IDT晶振
- 美国日蚀晶振
- 康纳温菲尔德晶振
- 高利奇晶振
- Jauch晶振
- Abracon晶振
- ECS晶振
- CTS晶振
- 微晶晶振
- 维管晶振
- 拉隆晶振
- Greenray晶振
- SiTime晶振
- Pletronics晶振
- Statek晶振
- 瑞康晶振
日产晶振
电话:0755-2783-7683
手机:13631647825
QQ:761385328
地址:深圳市宝安区西乡镇南区新一村2栋














微信号


