Renesas有源晶振,XAH525075.000000I,罗拉LORA模块晶振,进口晶振,RENESAS瑞萨电子晶振,XA系列晶振,编码为:XAH525075.000000I,频率为:75.000MHz,小体积晶振尺寸:5.0x3.2x1.2mm封装,LVCMOS输出晶体振荡器,六脚贴片晶振,石英晶振,有源晶振,SMD晶振,5032晶振,电源电压:2.5V,工作温度范围:-40℃至+85℃,符合AEC-Q200标准。具有超小型,轻薄型,高精度,高性能,高品质,高质量,高温度等特点。应用于:通讯设备,无线网络,蓝牙模块,物联网,北斗定位,导航仪,罗拉LORA模块,智能家居,汽车电子,安防设备,数字通信系统等。
Renesas XA器件是超精密的石英晶体振荡器,具有750到890fs的典型的超过12 kHz到20MHz带宽的相位抖动。XA系列晶体振荡器从0.750MHz到1350MHz到1350MHz,利用了一系列专有的asic,重点关注降噪技术。三阶西格玛调制器将噪声降低到可与传统的散装石英和锯纹波振荡器相媲美的水平。XA系列具有较短的前置时间、低成本、低噪声、频率范围广、优异的环境性能,是超越传统技术的优秀选择。XA设备的稳定性高达±25ppm,标准和自定义频率都非常快。
Renesas有源晶振,XAH525075.000000I,罗拉LORA模块晶振,参数表
Symbol
Parameter
Output Type
Conditions
Minimum
Typical
Maximum
Units
IDD
Power Supply Current
LVDS
—
—
—
100
mA
LVPECL
—
120
LVCMOS
0.75MHz to 20MHz.
—
—
32
20+MHz to 50MHz.
35
50+MHz to 130MHz.
—
—
47
130+MHz to 200MHz.
55
200+MHz to 250MHz.
—
—
60
Symbol
Parameter
Output Type
Conditions
Minimum
Typical
Maximum
Units
IDD
Power Supply Current
LVDS
0.75MHz to 20MHz.
—
—
26
mA
20+MHz to 220MHz.
—
—
34
220+MHz to 630MHz.
—
—
44
630+MHz to 1000MHz.
—
—
65
LVPECL
0.75MHz to 20MHz.
—
—
33
20+MHz to 220MHz.
—
—
41
220+MHz to 630MHz.
—
—
63
630+MHz to 1000MHz.
—
—
72
LVCMOS
0.75MHz to 20MHz.
—
—
22
20+MHz to 50MHz.
—
—
25
50+MHz to 100MHz.
—
—
29
100+MHz to 130MHz.
—
—
32
130+MHz to 160MHz.
—
—
35
160+MHz to 180MHz.
—
—
37
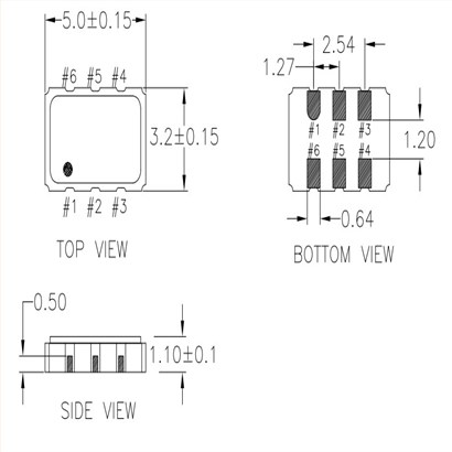
Renesas有源晶振,XAH525075.000000I,罗拉LORA模块晶振,尺寸图
Renesas有源晶振,XAH525075.000000I,罗拉LORA模块晶振
产品特点:
符合AEC-Q200
频率范围:0.750MHz至1350MHz
输出类型:LVDS、LVPECL、LVCMOS
频率稳定性:±25、±50或±100 ppm
电源电压:2.5V或3.3V有源晶振
相位抖动(12kHz至20MHz):典型750fs至890fs
程序包选项:3.2×2.5×1.0mm,5.0×3.2×1.2mm
工作温度:-40°C至+85°C(3级)
频率稳定性选项:±25、±50或±100ppm
工作温度:-40°C至+105°C(2级)
频率稳定性选项:±50或±100ppm
| 晶振编码 | 品牌 | 描述 | 系列 | 频率 | 输出 | 电压 |
| XAH335025.000000K | Renesas晶振 | XTAL OSC XO 25.0000MHZ LVCMOS | XAH | 25 MHz | LVCMOS | 3.3V |
| XAH335030.000000K | Renesas晶振 | XTAL OSC XO 30.0000MHZ LVCMOS | XAH | 30 MHz | LVCMOS | 3.3V |
| XAH335030.000000I | Renesas晶振 | XTAL OSC XO 30.0000MHZ LVCMOS | XAH | 30 MHz | LVCMOS | 3.3V |
| XAH335025.000000I | Renesas晶振 | XTAL OSC XO 25.0000MHZ LVCMOS | XAH | 25 MHz | LVCMOS | 3.3V |
| XAH335006.005284I | Renesas晶振 | XTAL OSC XO 6.005284MHZ LVCMOS | XAH | 6.005284 MHz | LVCMOS | 3.3V |
| XAH335006.005284K | Renesas晶振 | XTAL OSC XO 6.005284MHZ LVCMOS | XAH | 6.005284 MHz | LVCMOS | 3.3V |
| XAH526033.300000I | Renesas晶振 | XTAL OSC XO 33.3000MHZ LVCMOS | XAH | 33.3 MHz | LVCMOS | 2.5V |
| XAH335033.333000X | Renesas晶振 | CLCC 3.20X2.50X0.90 MM, 2.10MM P | XAH | 33.333 MHz | HCMOS | 3.3V |
| XAH335033.333333X | Renesas晶振 | CLCC 3.20X2.50X0.90 MM, 2.10MM P | XAH | 33.333333 MHz | HCMOS | 3.3V |
| XAH335060.000000X | Renesas晶振 | CLCC 3.20X2.50X0.90 MM, 2.10MM P | XAH | 60 MHz | HCMOS | 3.3V |
| XAH335080.000000K | Renesas晶振 | OSC XO 80.0000MHZ LVCMOS SMD | XAH | 80 MHz | LVCMOS | 3.3V |
| XAH335100.000000K | Renesas晶振 | XTAL OSC XO 100.0000MHZ LVCMOS | XAH | 100 MHz | LVCMOS | 3.3V |
| XAH535156.250000I | Renesas晶振 | XTAL OSC XO 156.2500MHZ LVCMOS | XAH | 156.25 MHz | LVCMOS | 3.3V |
| XAH535080.000000K | Renesas晶振 | XTAL OSC XO 80.0000MHZ LVCMOS | XAH | 80 MHz | LVCMOS | 3.3V |
| XAH525075.000000I | Renesas晶振 | XTAL OSC XO 75.0000MHZ LVCMOS | XAH | 75 MHz | LVCMOS | 2.5V |
| XAH530050.000000I | Renesas晶振 | XTAL OSC XO 50.0000MHZ LVCMOS | XAH | 50 MHz | LVCMOS | 3.3V |
| XAH335180.000000I | Renesas晶振 | CLCC 3.20X2.50X0.90 MM, 2.10MM P | XAH | 180 MHz | HCMOS | 3.3V |
| XAH336080.000000I | Renesas晶振 | CLCC 3.20X2.50X0.90 MM, 2.10MM P | XAH | 80 MHz | HCMOS | 3.3V |
| XAH730002.000000K | Renesas晶振 | CLCC 7.00X5.00X1.30 MM, 2.54MM P | XAH | 2 MHz | HCMOS | 3.3V |
| XAH535050.000000K | Renesas晶振 | CLCC 5.00X3.20X1.10 MM, 2.54MM P | XAH | 50 MHz | HCMOS | 3.3V |
| XAH525040.000000K | Renesas晶振 | CLCC 5.00X3.20X1.10 MM, 2.54MM P | XAH | 40 MHz | HCMOS | 2.5V |
| XAH325016.640000K | Renesas晶振 | CLCC 3.20X2.50X0.90 MM, 2.10MM P | XAH | 16.64 MHz | HCMOS | 2.5V |
| XAH730001.000000K | 石英晶振 | CLCC 7.00X5.00X1.30 MM, 2.54MM P | XAH | 1 MHz | HCMOS | 3.3V |
| XAH335026.000000K | Renesas晶振 | CLCC 3.20X2.50X0.90 MM, 2.10MM P | XAH | 26 MHz | HCMOS | 3.3V |
| XAH335024.000000K | Renesas晶振 | CLCC 3.20X2.50X0.90 MM, 2.10MM P | XAH | 24 MHz | HCMOS | 3.3V |
| XAH535125.000000K | Renesas晶振 | CLCC 5.00X3.20X1.10 MM, 2.54MM P | XAH | 125 MHz | HCMOS | 3.3V |
| XAH335014.745600K | Renesas晶振 | CLCC 3.20X2.50X0.90 MM, 2.10MM P | XAH | 14.7456 MHz | HCMOS | 3.3V |
| XAH536198.354700I | Renesas晶振 | CLCC 5.00X3.20X1.10 MM, 2.54MM P | XAH | 198.3547 MHz | HCMOS | 3.3V |
| XAH336000.127774I | Renesas晶振 | CLCC 3.20X2.50X0.90 MM, 2.10MM P | XAH | 127.774 kHz | HCMOS | 3.3V |
| XAH730008.000000K | Renesas晶振 | CLCC 7.00X5.00X1.30 MM, 2.54MM P | XAH | 8 MHz | HCMOS | 3.3V |
| XAH335080.000000I | Renesas晶振 | CLCC 3.20X2.50X0.90 MM, 2.10MM P | XAH | 80 MHz | HCMOS | 3.3V |
| XAH335000.127722I | Renesas晶振 | CLCC 3.20X2.50X0.90 MM, 2.10MM P | XAH | 127.722 kHz | HCMOS | 3.3V |
| XAH335000.127774I | Renesas晶振 | CLCC 3.20X2.50X0.90 MM, 2.10MM P | XAH | 127.774 kHz | HCMOS | 3.3V |
| XAH535048.000000I | Renesas晶振 | CLCC 5.00X3.20X1.10 MM, 2.54MM P | XAH | 48 MHz | HCMOS | 3.3V |
| XAH730075.000000I | Renesas晶振 | CLCC 7.00X5.00X1.30 MM, 2.54MM P | XAH | 75 MHz | HCMOS | 3.3V |
| XAH336100.000000X | Renesas晶振 | CLCC 3.20X2.50X0.90 MM, 2.10MM P | XAH | 100 MHz | HCMOS | 3.3V |
| XAH536080.000000I | Renesas晶振 | XTAL OSC XO 80.0000MHZ LVCMOS | XAH | 80 MHz | LVCMOS | 3.3V |
| XAH536125.000000I | Renesas晶振 | XTAL OSC XO 125.0000MHZ LVCMOS | XAH | 125 MHz | LVCMOS | 3.3V |
| XAH536003.330000I | Renesas晶振 | XTAL OSC XO 3.3300MHZ LVCMOS SMD | XAH | 3.33 MHz | LVCMOS | 3.3V |
| XAH335003.200000K | Renesas晶振 | XTAL OSC XO 3.2000MHZ LVCMOS SMD | XAH | 3.2 MHz | LVCMOS | 3.3V |
| XAH335032.000000K | Renesas晶振 | XTAL OSC XO 32.0000MHZ LVCMOS | XAH | 32 MHz | LVCMOS | 3.3V |
| XAH335006.005285K | Renesas晶振 | XTAL OSC XO 6.005285MHZ LVCMOS | XAH | 6.005285 MHz | LVCMOS | 3.3V |
| XAH335054.000000K | Renesas晶振 | XTAL OSC XO 54.0000MHZ LVCMOS | XAH | 54 MHz | LVCMOS | 3.3V |
| XAH325025.000000K | Renesas晶振 | XTAL OSC XO 25.0000MHZ LVCMOS | XAH | 25 MHz | LVCMOS | 2.5V |
| XAH335050.000000K | Renesas晶振 | XTAL OSC XO 50.0000MHZ LVCMOS | XAH | 50 MHz | LVCMOS | 3.3V |
| XAH536025.000000I | Renesas晶振 | CLCC 5.00X3.20X1.10 MM, 2.54MM P | XAH | 25 MHz | HCMOS | 3.3V |
| XAH736049.152000I | Renesas晶振 | CLCC 7.00X5.00X1.30 MM, 2.54MM P | XAH | 49.152 MHz | HCMOS | 3.3V |
| XAH736080.000000I | Renesas晶振 | CLCC 7.00X5.00X1.30 MM, 2.54MM P | XAH | 80 MHz | HCMOS | 3.3V |
| XAH736100.000000I | Renesas晶振 | CLCC 7.00X5.00X1.30 MM, 2.54MM P | XAH | 100 MHz | HCMOS | 3.3V |
| XAH335006.003968I | Renesas晶振 | XTAL OSC XO 6.003968MHZ LVCMOS | XAH | 6.003968 MHz | LVCMOS | 3.3V |
| XAH335125.000000I | Renesas晶振 | CLCC 3.20X2.50X0.90 MM, 2.10MM P | XAH | 125 MHz | HCMOS | 3.3V |





有源晶振,温补晶振,爱普生晶振,TG5032CFN晶振
NDK晶振,谐振器,贴片晶振,NX3225GA晶振
有源晶振,温补晶振,西铁城晶振,CSX325T晶振,CSX325T19.200M3-UT10
有源晶振,温补晶振,京瓷晶振,KT1612晶振
无源石英晶振,AGX-S3225晶体,雅士博晶振,四脚贴片晶体
贴片晶体,无源谐振器,ARGO电子晶振,AGX-S49S石英晶振
无源晶振,CSMD石英晶振,CORE科尔晶振,四脚贴片晶振
Frequency晶振,FTZ1-50NV-50.000MHz晶振,石英振荡器,贴片晶体
SX-21-10-20HZ-20.000MHz-9pF晶振,无源晶振,石英晶振,Shinsung晶振

