拉隆晶振公司在1983年成立于迈阿密,拉隆电子公司已经发展成为其中之一公认的经验丰富的频率管理产品制造商在世界各地.从简单音叉晶体到高稳定性控制晶体振荡器,拉隆提供最多全行业的频率管理设备. 公司对研发的承诺使得不断创造领先边缘晶体和振荡器器件和技术多年.今天,拉尔特龙提供高性能频率控制解决方案满足和超越客户的期望价格,质量,应用工程和客户支持.
Raltron晶振用于汽车应用的水晶单元提供低调,优异的质量和成本性能,以满足您的AUTOMOTIVE应用要求.用于汽车应用的Raltron晶体单元的优点:小而薄,回流兼容,AEC Q-200质量可靠,声誉可靠,环境优良等优点.拉隆晶振,贴片晶振,R26晶振
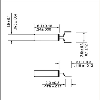
拉隆晶振,贴片晶振,R26晶振.贴片表晶32.768K系列具有超小型,薄型,质地轻的表面贴片音叉型石英晶体谐振器,晶振产品本身具备优良的耐热性,耐环境特性,在办公自动化,家电领域,移动通信领域可发挥优良的电气特性,符合无铅标准,满足无铅焊接的回流温度曲线要求,金属外壳的石英晶振使得产品在封装时能发挥比陶瓷晶振外壳更好的耐冲击性能.拉隆晶振,贴片晶振,R26晶振
石英晶振多层、多金属的溅射镀膜技术:是目前研发及生产高精度、高稳定性石英晶体元器件——石英晶振必须攻克的关键技术之一.石英晶振该选用何镀材、镀几种材料、几种镀材的镀膜顺序,镀膜的工艺方法(如各镀材的功率设计等).使用此镀膜方法使镀膜后的晶振附着力增强,贴片晶振频率更加集中,能控制在最小ppm之内.
|
拉隆晶振 |
单位 |
R26晶振 |
石英晶振基本条件 |
|
标准频率 |
f_nom |
32.768KHZ |
标准频率 |
|
储存温度 |
T_stg |
-55℃~+125℃
|
裸存 |
|
工作温度 |
T_use |
-40℃~+85℃
|
标准温度 |
|
激励功率 |
DL |
1μW Max |
|
|
频率公差 |
f_— l |
±20ppm
|
+25°C 对于超出标准的规格说明, |
|
频率温度特征 |
f_tem |
±30ppm
|
超出标准的规格请联系我们. |
|
负载电容 |
CL |
12.5pF |
不同负载要求,请联系我们. |
|
串联电阻(ESR) |
R1 |
如下表所示 |
-40°C —+85°C,DL = 100μW |
|
频率老化 |
f_age |
±3× 10-6/ year Max. |
+25°C,第一年 |
理想情况下,机械蜂鸣器应安装在一个独立于音叉晶体器件的PCB板上.如果您安装在同一个PCB板上,最好使用余量或切割PCB.当应用于PCB板本身或PCB板体内部时,机械振动程度有所不同.建议遵照内部板体特性.
在更高或更低温度或高湿度环境下长时间保存进口贴片晶振产品时,会影响频率稳定性或焊接性.
加热包装材料至+150°C以上会破坏产品特性或损害谐振器.如需在+150°C以上焊接晶体产品,建议使用SMD晶体.
自动安装和真空化引发的冲击会破坏产品特性并影响这些进口晶体振荡器.请设置安装条件以尽可能将冲击降至最低,并确保在安装前未对产品特性产生影响.条件改变时,请重新检查安装条件.同时,在安装前后,请确保石英晶振未撞击机器或其他电路板等.拉隆晶振,贴片晶振,R26晶振
在焊接陶瓷晶振产品和SON产品 (MC-146,RTC-****NB,RX-****NB) 之后,弯曲电路板会因机械应力而导致焊接部分剥落或封装分裂(开裂).尤其在焊接这些产品之后进行电路板切割时,务必确保在应力较小的位置布局晶体并采用应力更小的切割方法.
RALTRON晶振公司集团作为“地球内企业”,在保护地球环境方面发挥着领导作用.我们尊重历史、文化和传统的多样性,并致力于“CSR经营”和“环境经营”.为取得社会的信任,为推动环境负荷最小化,RALTRON晶振集团还开展了各种各样的产品生产宣传推广活动.拉隆晶振,贴片晶振,R26晶振
RALTRON晶振集团在“制造、使用、有效利用、再利用”这样一个产品生命周期中,努力创造丰富的价值,给社会带来温馨和安宁,感动和惊喜,同时为减少环境影响,努力做好“防止地球变暖、有效利用资源、对化学物质进行管理”,实现与地球的和谐相处.
RALTRON晶振集团运用ISO14001环境管理系统进行环境管理,尽最大可能减小产品业务活动对环境造成的负担,并通过业务发展推进环境改善. RALTRON晶振集团建立一种可测量的发展和改进的目标指标,定期进行内审和管理评审.在现有的或新生的各种活动中不断监测和改进环境绩效.通过对生产活动的持续改进和促进对低效或无效的环境法律法规进行合理化转变,努力提高环境管理中资本的效力.




津绽晶振,石英晶振,NXG SMD晶振
Abracon晶振,石英晶振,AB26TRB晶振,AB26TRB-32.768KHZ-T晶振
ECS晶振,石英晶振,ECS-2X6-FLX晶振,ECS-.327-6-13FLX-TR晶振

