CTS晶振继续提供创新的解决方案,利用金属陶瓷技术为国内汽车制造商提供可靠的引擎盖位置传感器.在1980年初的CTS获得了成功的连接器和背板制造商在北美洲和苏格兰的业务.此外,苏格兰的连接为CTS晶振的位置传感器产品打开了许多新的欧洲市场机会.在之后的十年,为了满足不断增长的全球市场需求,CTS完成扩建工厂在墨西哥,新加坡,苏格兰,美国,加拿大,香港和台湾,进一步增加了CTS的全球影响力.
CTS晶振的目标是在技术的最前沿,提供创新的传感,连接和运动解决方案,以创造和推进世界各地的石英晶体谐振器产品和服务.CTS是航空航天、通信、国防、工业、信息技术、医疗和运输市场的OEM、传感器和电子元器件的主要设计者和制造商.CTS生产的产品在北美洲、欧洲和亚洲.消费电子制造业的发展促使许多美国的电子制造商在亚洲开展业务.1968,CTS在台湾建立了一个晶振产品生产工厂,为北美原始设备制造商提供离岸生产设备,并与亚洲低成本零部件生产商进行合作.CTS晶振,贴片晶振,ATS晶振,ATS080B晶振
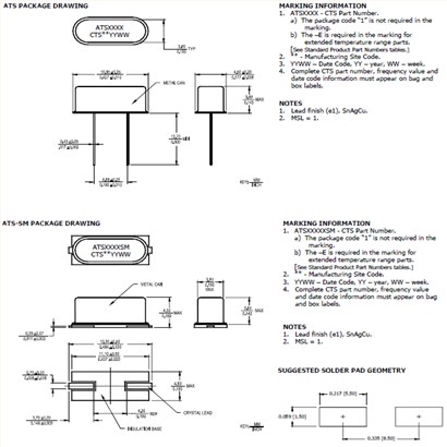
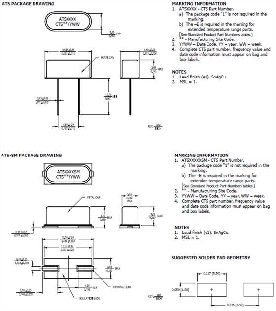
CTS晶振,贴片晶振,ATS晶振,ATS080B晶振.普通石英晶振,外观完全使用金属材料封装的,产品本身采用全自动石英晶体检测仪,以及跌落,漏气等苛刻实验.产品本身具有高稳定性,高可靠性的石英晶体谐振器,焊接方面支持表面贴装,外观采用金属封装,具有充分的密封性能,晶振本身能确保其高可靠性,采用编带包装,可对应产品应用到自动贴片机告诉安装,满足无铅焊接的高温回流温度曲线要求.CTS晶振,贴片晶振,ATS晶振,ATS080B晶振
贴片晶振晶片边缘处理技术:贴片晶振是晶片通过滚筒倒边,主要是为了去除石英晶振晶片的边缘效应,在实际操作中机器运动方式设计、滚筒的曲率半径、滚筒的长短、使用的研磨砂的型号、多少、填充物种类及多少等各项设计必须合理,有一项不完善都会使晶振晶片的边缘效应不能去除,而石英晶振晶片的谐振电阻过大,用在电路中Q值过小,从而电路不能振动或振动了不稳定.
|
CTS晶振 |
单位 |
ATS晶振 |
石英晶振基本条件 |
|
标准频率 |
f_nom |
3.2~64MHZ |
标准频率 |
|
储存温度 |
T_stg |
-45℃~+85℃
|
裸存 |
|
工作温度 |
T_use |
-45℃~+85℃
|
标准温度 |
|
激励功率 |
DL |
10μW,200μWMax |
|
|
频率公差 |
f_— l |
±30ppm
|
+25°C 对于超出标准的规格说明, |
|
频率温度特征 |
f_tem |
±30ppm
|
超出标准的规格请联系我们. |
|
负载电容 |
CL |
12~32pF |
不同负载要求,请联系我们. |
|
串联电阻(ESR) |
R1 |
如下表所示 |
-40°C —+85°C,DL = 100μW |
|
频率老化 |
f_age |
±3× 10-6/ year Max. |
+25°C,第一年 |
辐射
晶振产品暴露于辐射环境会导致石英晶体性能受到损害,因此应避免照射.
化学制剂 / pH值环境
请勿在PH值范围可能导致腐蚀或溶解进口晶振或包装材料的环境下使用或储藏这些产品.CTS晶振,贴片晶振,ATS晶振,ATS080B晶振
粘合剂
请勿使用可能导致SMD晶振所用的封装材料,终端,组件,玻璃材料以及气相沉积材料等受到腐蚀的胶粘剂. (比如,氯基胶粘剂可能腐蚀一个晶体单元的金属“盖”,从而破坏密封质量,降低性能.)
卤化合物
请勿在卤素气体环境下使用无源晶振.即使少量的卤素气体,比如在空气中的氯气内或封装所用金属部件内,都可能产生腐蚀.同时,请勿使用任何会释放出卤素气体的树脂.
静电
过高的静电可能会损坏石英晶体谐振器,请注意抗静电条件.请为容器和封装材料选择导电材料.在处理的时候,请使用电焊枪和无高电压泄漏的测量电路,并进行接地操作.
CTS晶振集团在“制造、使用、有效利用、再利用”这样一个产品生命周期中,努力创造丰富的价值,给社会带来温馨和安宁,感动和惊喜,同时为减少产品对环境影响,努力做好“防止地球变暖、有效利用资源、对化学物质进行管理”,实现与地球的和谐相处.CTS晶振,贴片晶振,ATS晶振,ATS080B晶振
CTS晶振集团运用ISO14001环境管理系统进行环境管理,尽最大可能减小产品业务活动对环境造成的负担,并通过业务发展推进环境改善.CTS晶振遵守所有适用的有关环境、健康和安全的法律和法规以及CTS晶振集团自己的有关环境、工业卫生和安全的方针和承诺.
与我们的员工一起开创并保持一个免于事故的工作场所.重视污染预防,消除偏离程序的行为强调通过员工努力这一最可行的方法持续改进我们经营活动的环境绩效. 将持续的环境、健康和安全方面的改进、污染预防和员工的努力纳入日常运行当中.加强产品污染防治,减少现有的污染废弃物以及在未来生产制造中所产生的污染.




津绽晶振,贴片晶振,NXE晶振,石英晶体谐振器
日蚀晶振,贴片晶振,E1SAA12-24.000M晶振
ECS晶振,石英晶振,CSM-7X-3L晶振,石英晶体谐振器
ECS晶振,石英晶振,CSM-3X晶振,ECS-270-20-3X-TR晶振
瑞康晶振,贴片晶振,RHC-49US晶振,石英晶体谐振器
Cardinal晶振,贴片晶振,CSM1晶振
MtronPTI晶振,石英晶振,ATSM-49-R晶振

